 
                    | 检测原理 | 有气体、氧气...电化学 挥发性有机物...光致电离 | 
|---|---|
| 检测方式 | 扩散式 | 
| 显示方式 | LCD显示,LED指示 | 
| 报警方式 | LED光报警、可配防爆声光报警器(选购) | 
| 防爆标志 | Ex d ⅡC T6 Gb / Ex tD A21 IP66 T80℃ Ex ia ⅡC T6 Gb | 
| 防护等级 | IP66 | 
| 外形尺寸 | 140*200.2*108mm(WxHxD) | 
| 重 量 | 2200克(铝合金壳体) | 
| 壳体材质 | 铝合金/S316不锈钢 | 
| 传输电缆 | ≤1000m,3(4)×1.5mm²、≤1500m,3(4)×2.5mm² | 
| 环境温度 | -40℃~+70℃ (需同时参考传感器规格 ) | 
|---|---|
| 相对湿度 | 15~95%RH/无凝结 | 
| 报警方式 | LED光报警(可选配爆声光报警器) | 
| 调节方式 | 红外遥控器、磁棒 | 
| 电源 | 24VDC(15~30VDC) | 
| 功耗 | ≤3W(带防爆声光报警器≤5W) | 
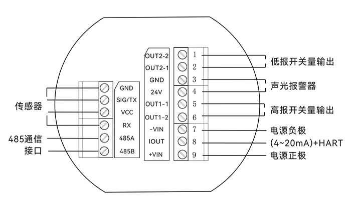
| 输出信号 |   4-20mA(三线制)   继电器 高低断报警开关量输出(2A 30VDC)   24VDC继电器输出(驱动声光报警器)   MODBUS/RS485   4-20mA+HART(选购)   | 
| 电气接口 | 两接口,NPT3/4″(F)(可按要求配置不同规格尺寸) | 
 
                                 
                                